Back to Home
Sample Work

What a TekMinds Deliverable Looks Like

Real engineering packages produced for US-based clients — completed to customer and AHJ approval standards.
Client names have been redacted.

Electrical Engineering

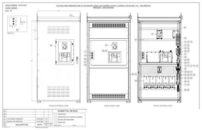
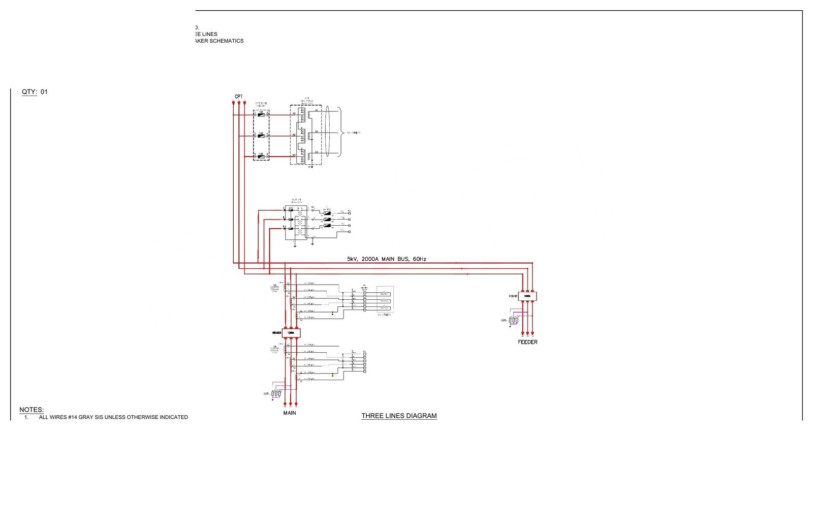
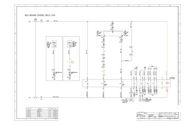
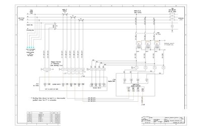
5kV Medium Voltage Switchgear — ATS Wiring Package

Complete wiring and schematic package for a 5kV, 1200A medium voltage switchgear assembly with Automatic Transfer Switch (ATS) functionality. Deliverables include a Three-Lines Diagram of the 2000A main bus and four sheets of circuit breaker control schematics — covering trip/close coil circuits, spring charge motor, auxiliary contacts, and full racking mechanism controls — all prepared to UL and client drawing standards.

Client: US MV Switchgear Manufacturer
Scope: Three-Lines Diagram + 3-sheet Breaker Schematic Package (4 sheets total)
Tools: AutoCAD Electrical
Standard: IEEE C37, UL 1558, NEMA SG-5
Solar Engineering

Rooftop Solar PV System — IFC Electrical Package

Complete IFC electrical package for a 1.575 MW AC / 1.986 MW DC commercial rooftop photovoltaic system installed on a large industrial facility. The 28-sheet set covers 3,747 SilFab SIL-530-XM modules on PanelClaw ClawFRPlus 10D ballasted racking at 10° tilt, 29 SMA central inverters (19 × 50 kW + 10 × 62.5 kW) across 15 roof sections, supply-side interconnection at 480Y/277V through existing utility transformer lugs, rapid shutdown compliance via APsmart RSD-S-PLC MLPEs, and a full SEL-751 reverse protection relay — with detailed PV string plans, AC and DC circuit schedules, monitoring schematic, and electrical calculations per NEC 2023.

Client: Industrial Facility Owner (Redacted)
Scope: 28-sheet IFC package — site plan, 7 PV string plans, rapid shutdown plan, equipment elevations, wire management, line diagram, monitoring schematic, calculations, DC circuit schedules, placards, specifications
Tools: AutoCAD Electrical, PVCase, PVSyst
Standard: NEC 2023, NEC Article 690, IEEE 1547, UL 1741, IBC 2018, ASCE 7
Electrical Engineering

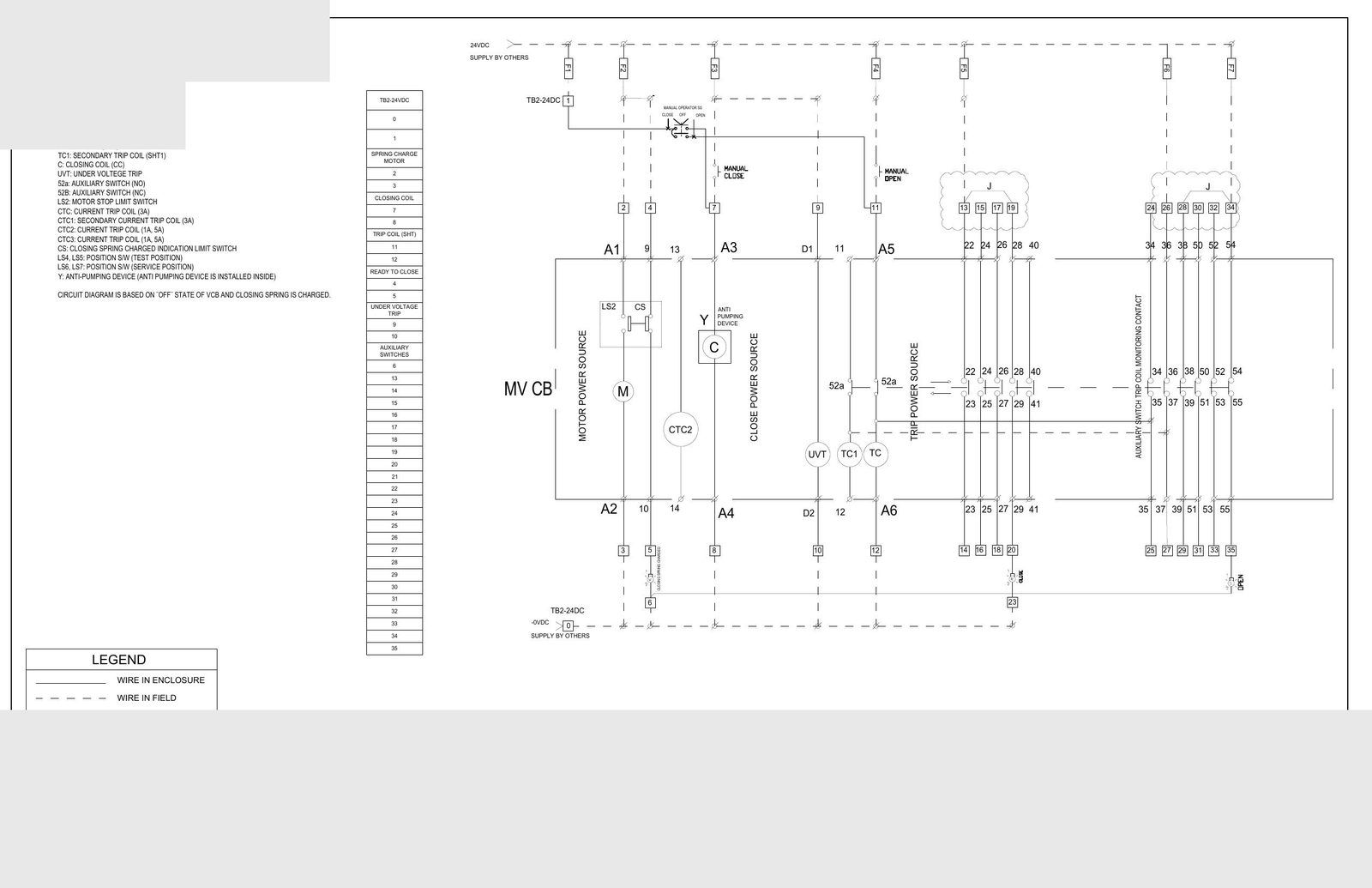
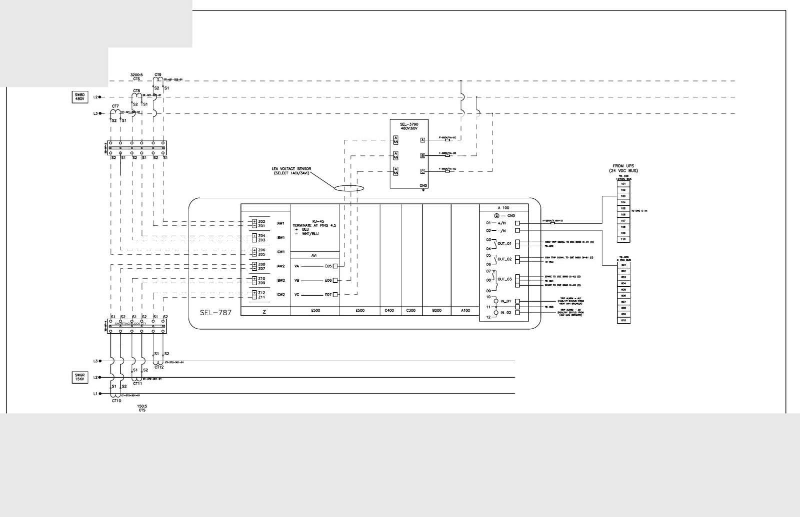
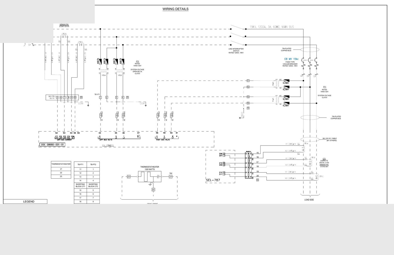
15kV MV Switchgear — LBS over Breaker Wiring Package

Wiring details package for a 15kV medium voltage switchgear assembly in an LBS-over-Breaker configuration, serving a 12.47kV, 3-wire utility distribution system. Deliverables cover the main bus one-line (1200A, 3Ø), the vacuum circuit breaker control circuit (24VDC), and SEL-787 transformer protection relay wiring with full CT and voltage sensor connections — prepared to IEC/IEEE standards for utility-grade equipment.

Client: US MV Switchgear Manufacturer
Scope: Main bus wiring, VCB control schematic, SEL-787 relay wiring (3 of 7 sheets shown)
Tools: AutoCAD Electrical
Standard: IEEE C37, ANSI, NEC, SEL relay guidelines
EV Infrastructure

EV Charging Station — IFC Electrical Package

Full IFC electrical package for a commercial-scale EV charging installation serving 18 Level 2 chargers — 12 × 48A and 6 × 80A Atom Power AEV units — at a sports venue parking facility. The package covers supply-side interconnection at 480Y/277V via secondary spades of an existing 350kVA utility transformer, dual EV distribution panels, communications and monitoring infrastructure, pedestal wiring details, complete electrical calculations, and safety placards — submitted for utility interconnection approval to Marietta Power.

Client: Sports Venue (Redacted)
Scope: 15-sheet IFC package — site plan, equipment elevations, pedestal wiring, line diagram, monitoring schematic, calculations, placards, specifications
Tools: AutoCAD Electrical
Standard: NEC 2023, NEC Article 625, UL 2594, UL 2251, ADA Compliant
Mechanical & Electrical Engineering

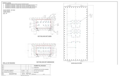
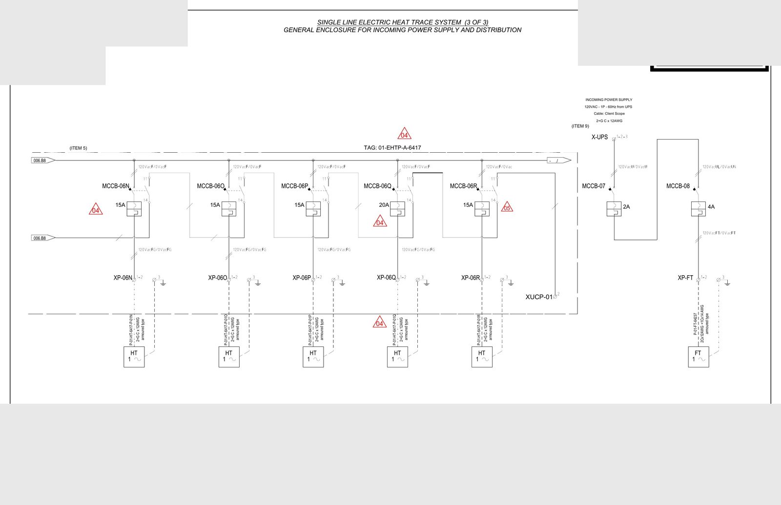
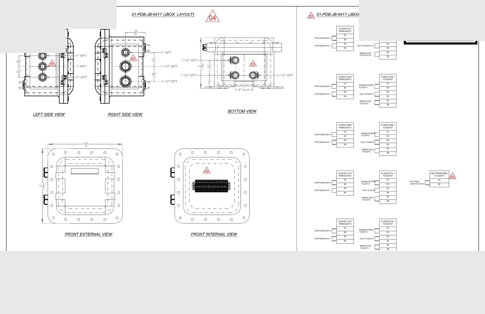
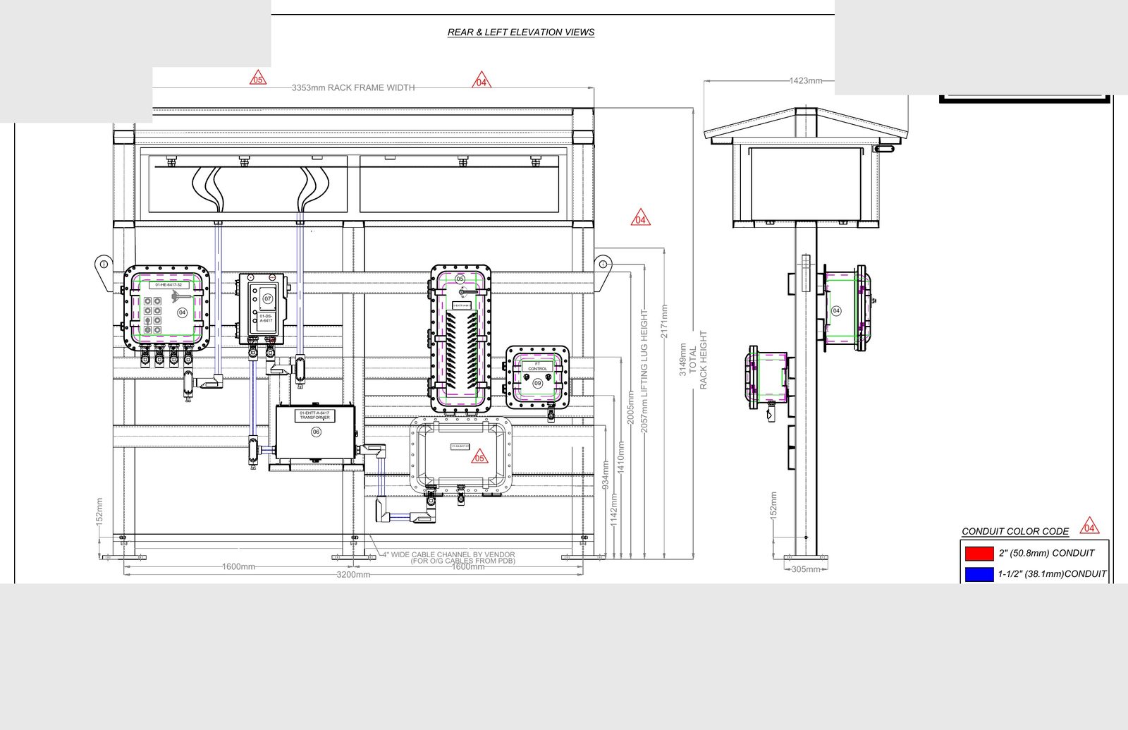
600V Class 1 Div 2 Switch Rack — Full Engineering Package

Complete mechanical and electrical engineering package for a 600V, 200A hazardous-location switch rack rated Class 1, Division 2M, Groups C & D. The 23-sheet package covers the full scope from rack frame layout and conduit routing through heat trace distribution, junction box detailing, motor starter panel arrangement, and heater contactor panel design — all produced to US client drawing standards for a live industrial facility.

Client: US Electrical Equipment Manufacturer
Scope: 23-sheet package — mechanical layout, conduit routing, SLD, heat trace, JB detailing, panel arrangements
Tools: AutoCAD Electrical, AutoCAD
Standard: NEC 501, NEMA, Class 1 Div 2 Hazardous Location, UL
Solar Engineering

Ground-Mount Solar PV — Development Set

Development-set conceptual layout for a 7.2 MW DC / 4.95 MW AC utility-scale ground-mount solar project. The drawing maps site constraints including stream setbacks, wetland offsets, and high-slope exclusion zones against a final array of 11,448 CSI CS6.2-66HB 630W modules on single-axis ATI pile-driven trackers. Equipment placement shows 22 × Solectria XGI 1500 225kW inverters with the associated switchgear and transformer pad, new access roads and culvert crossings, and full utility interconnection pole routing to the Main Street ROW — approved at development-set milestone.

Client: Solar Developer (Redacted)
Scope: 1-sheet conceptual site layout (PV-101) — 7.2 MW DC / 4.95 MW AC, 11,448 modules, 22 × Solectria XGI 1500 inverters
Tools: AutoCAD Electrical, PVCase, PVSyst
Standard: NEC, IEEE 1547, Utility Interconnection Standards
Electrical Engineering

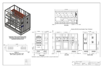
4000A Parallel Operating Switchgear — Submittal Package

Complete submittal package for a 4000A low-voltage parallel-operating switchgear assembly with bus tie and four automatic generator transfer switches. Covers fabrication drawings including 3D isometric views, wiring schematics, terminal identification, and full bill of materials — prepared to NFPA 70 and client drawing standards for shop-floor fabrication.

Client: US Electrical Distributor
Scope: 12-sheet drawing package
Tools: AutoCAD Electrical
Standard: NFPA 70, UL 891, NEMA PB-2
Solar Engineering

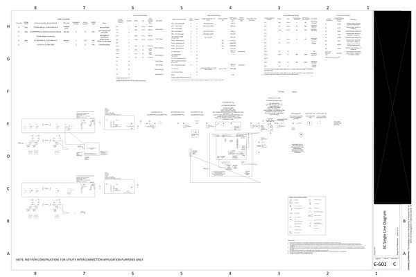
Ground-Mount Solar PV — AC Single Line Diagram

AC single-line diagram for a 7.2 MW DC / 4.95 MW AC utility-scale ground-mount solar project submitted for utility interconnection application. The drawing documents the complete AC interconnection architecture including a cable schedule for 15kV aerial and underground medium-voltage feeders, detailed inverter protection relay settings (OVP, UVP, OFP, UFP per IEEE 1547), inverter breakthrough and ride-through parameters, and the full chain from 22 × Solectria XGI 1500 inverters through the customer disconnect and recloser poles to the utility point of common coupling.

Client: Solar Developer (Redacted)
Scope: 1-sheet AC SLD (E-601) — MV cable schedule, inverter protection tables, interconnection architecture
Tools: AutoCAD Electrical, PVCase, PVSyst
Standard: IEEE 1547, NEC, Utility Interconnection Application Requirements
Electrical Engineering

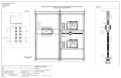
2500A ATS with Bypass Maintenance — Submittal Package

Full submittal package for a 2500A custom breaker-type automatic transfer switch with bypass maintenance capability, featuring an ATYS controller rated 480/277V 3PH 4W 100KA SE. Package includes complete bill of materials, wiring schematics, controller connections, and transfer logic — delivered to UL 1008 and client drawing standards.

Client: US Electrical Distributor
Scope: 13-sheet drawing package
Tools: AutoCAD Electrical
Standard: NFPA 70, UL 1008, NEMA ICS
Solar Engineering

Sunrise Solar — Construction Set

PE-stamped construction set for a 2,987 kWp DC / 2,000 kWac utility-scale ground-mount solar project. The 17-sheet package covers a 1P TerraTrak single-axis tracking array of 5,150 Silfab SIL-580-XM+ modules feeding 8 × Solectria XGI 1500-250 string inverters through 8 TerraSmart 600A combiner boxes, a 3000A/600V switchboard, and a 2,000 kVA Eaton 12.47 kV MV transformer. Interconnection is achieved via customer-owned 15kV overhead aerial and underground MV lines through a SEL-651R recloser and customer-side metering poles to the utility point of common coupling — with complete DC/AC wiring and conduit schedules, combiner box and weather station installation details, and full grounding plans for the racking, fence, and utility poles.

Client: Solar Developer (Redacted)
Scope: 17-sheet construction set (E-101 – E-802) — site plan, array layouts, wiring details, SLDs, grounding, 15kV pole line
System: 2,987 kWp DC / 2,000 kWac — 1P TerraTrak tracking, 8 × 250kW Solectria XGI 1500, 12.47kV / 2,000kVA transformer
Tools: AutoCAD Electrical, PVCase, PVSyst
Standard: NEC, IEEE 1547, Utility Interconnection Requirements — PE-Stamped, Rev B
Electrical Engineering

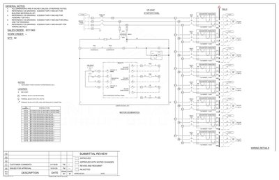
Multi-Starter Panel — Submittal Package

Submittal package for a multi-circuit motor starter panel with 3A PDG circuit breakers and 30A main, rated 25HP at 500V fused. Package covers panel arrangement and front elevation, wiring diagrams, terminal identification, and complete bill of materials — produced to UL 508A and client drawing standards for US industrial equipment manufacturing.

Client: US Industrial Equipment Supplier
Scope: 7-sheet drawing package
Tools: AutoCAD Electrical
Standard: NFPA 70, UL 508A, NEMA ICS
Solar Engineering

Wood Acres Solar 4 — PVsyst Energy Simulation Report

NTP-approved PVsyst V8.0.15 energy simulation for a 6,883 kWp DC / 5,000 kWac utility-scale ground-mount solar project in Illinois. The 11-page report models a 172-tracker 1P N-S horizontal-axis tracking array of 10,925 bifacial Silfab SIL-630-XL modules (GCR 50%, backtracking enabled) tied to 20 × Yaskawa Solectria XGI 1500-250 inverters through a 12.5 kV / 6.75 MVA MV transformer — yielding 10,259,975 kWh/year, a performance ratio of 84.96%, and P50 / P90 / P99 annual yields of 10,260 / 9,467 / 8,821 MWh.

Project: Wood Acres Solar 4 (Project #136909)
Scope: 11-page PVsyst report — system parameters, horizon, shading, monthly energy, loss diagram, P50/P90 analysis
System: 6,883 kWp DC / 5,000 kWac — 1P tracking, bifacial modules, DC:AC 1.38, 12.5 kV MV transformer
Tools: PVSyst, Solar Anywhere TMY
Status: NTP-Approved
Electrical Engineering

6000A Breaker Type Disconnect with SEL Relay — Submittal Package

Submittal package for a 6000A enclosed breaker-type disconnect assembly with SEL relay protection. Package includes full bill of materials, wiring schematics, relay wiring details, and terminal identification for a large-scale industrial disconnect — produced to UL 891, NEC, and client drawing standards.

Client: US Electrical Distributor
Scope: 10-sheet drawing package
Tools: AutoCAD Electrical
Standard: NFPA 70, UL 891, IEEE C37
Project Support

Construction Budget-to-Actual Tracking

Comprehensive cost management report tracking budget vs. actual spend across all construction categories — civil, electrical, BESS, and general conditions — for a utility-scale solar project. Delivered against the approved bid budget with full variance analysis.

Client: Solar EPC Contractor (Redacted)
Scope: Budget-to-Actual Cost Report — Q2 2024
Tools: Microsoft Excel, Power Query
Project Support

Federal and State Prevailing Wage Table Updates & Labor Compliance Assignments

End-to-end compliance workflow to update prevailing wage rates across multiple Illinois counties — sourcing official government data, converting it into a structured Excel template, uploading into the LCP system, and assigning updated wage tables to active construction projects. Each county typically requires updating 35–45 wage classifications across 9 data fields, with careful validation to ensure full regulatory compliance and minimize manual errors.

Client: Solar EPC Contractor (Redacted)
Scope: Prevailing wage data conversion, LCP system update & project assignment — Illinois multi-county
Tools: Microsoft Excel, LCP Tracker
Project Support

5 MWdc Solar + BESS Master Schedule — Primavera P6

Full EPC master schedule for a 5 MWdc solar + BESS project built in Primavera P6, spanning from Notice to Proceed through 100% Final Completion (~1,200 activity days). The schedule covers approved milestones (Mechanical Completion, PTO, Substantial Completion), long-lead procurement (inverters, pad-mounted gear, transformers, BESS containers), civil and electrical construction phases, BESS installation, medium voltage work, commissioning, and close-out — providing the project team a single integrated baseline for schedule control and reporting.

Client: Solar IPP / Developer (Redacted)
Scope: Full EPC master schedule — milestones, procurement, civil, electrical, BESS, MV, commissioning & close-out (4-page Gantt, 2025–2027)
Tools: Primavera P6
Estimation

Drain Tile Estimation Tool — Illinois Solar Projects

A data-driven tool to estimate drain tile impacts for utility-scale Illinois solar projects, where ~39% of cropland is underlain by drainage systems. Applies risk-based pricing tiers against a historical unit-rate database to produce fully burdened estimates despite limited early-stage site data.

Client:Solar IPP / Developer (Redacted)
Scope:Risk-adjusted drain tile cost tool — low/medium/high tiers, direct + indirect cost integration
Tools:Microsoft Excel

Overview

~39% of Illinois cropland is underlain by drainage systems, making accurate drain tile estimation critical for AIMA compliance and zoning. During early project stages only existing drain tile data is available, making remediation scope difficult to predict. A data-driven tool was built using a historical cost database of known remediation quantities, proposed installation requirements, and impacted system percentages.

Methodology

  • Scope inputs: Users enter drain tile quantities (LF) by pipe diameter from available existing data
  • Historical cost database: Unit rates per LF derived from actual project data across a range of observed costs
  • Risk-based tiers: Low (optimistic), Medium (most likely), High (conservative) — tailored to project stage and risk tolerance
  • Direct costs: Scope quantities × historical unit rates by diameter
  • Indirect costs: Fixed allowances for consulting, contingency, equipment transport, investigation & repair crew

Key Findings

  • Estimates align closely with Vendor-1 bid ranges
  • Higher than Vendor-2 bids — indicates potential conservatism
  • Limited economies of scale for large quantities (>5,000 LF) on smaller diameter pipes

Limitations & Recommendations

  • Limited differentiation across pipe material types (clay vs. HDPE)
  • Missing cost data for non-standard diameters — approximations required
  • Recommended: expand dataset with material-specific cost variations and interpolation logic for non-standard diameters
  • Refine cost curves to better reflect economies of scale
Estimation

Estimation SOP Framework — Utility-Scale Solar & BESS

A comprehensive suite of Standard Operating Procedures to standardise cost estimation workflows across a solar and BESS project portfolio — replacing ad-hoc individual practices with auditable, repeatable processes from document gathering through final budget conversion.

Client:Solar EPC / IPP (Redacted)
Scope:End-to-end SOP suite — ROM development, labor wages, equipment pricing, IRA domestic content, civil risk, tax, budget conversion
Tools:Microsoft Excel, SharePoint, Salesforce

Challenge

Estimation was highly dependent on individual practices, leading to inconsistent ROM methodologies, variable cost assumptions (labor, equipment, tax), limited auditability, and increased rework risk. Growing project complexity — solar + BESS + IRA compliance — demanded a more integrated approach.

SOP Framework Modules

  • Document Gathering & Input Validation: Consistent retrieval from SharePoint, Salesforce, and external data rooms
  • Electrical & Quantity-Based Costing: Workbook-driven calculations for materials, labor, system configuration
  • Labor Wage Derivation: Compliant, auditable prevailing wage, escalation, and travel cost process
  • Equipment Pricing: Real procurement data, escalation factors, tariff adjustments
  • Domestic Content (IRA): Standardised calculation using approved cost and Table 1 methodologies
  • Subsurface & Civil Risk: Geotechnical data integration into civil cost planning
  • Tax Calculation: Jurisdiction-specific taxes, exemptions, overrides
  • ROM Review & Budget Conversion: Structured review workflows and ROM-to-budget transition

Impact

  • Improved accuracy: Reduced estimation variability through consistent methodologies
  • Enhanced efficiency: Streamlined workflows reduced ROM turnaround time
  • Auditability: Clear documentation of assumptions improved internal and external review quality
  • Scalability: Enabled handling of a larger portfolio with consistent output quality
  • Cross-functional alignment: Improved coordination between Estimation, Engineering, Supply Chain, and Finance

Key Capabilities Demonstrated

  • End-to-end estimation workflow design
  • Cost modelling standardisation for solar & BESS
  • IRA and financial regulatory integration
  • Data-driven decision support for early-stage project development
Estimation

ROM to PCF Budget Conversion — Legacy Model Standardisation

A structured process to migrate legacy Rough Order of Magnitude (ROM) estimates into a standardised Project Cost File (PCF) format, enabling seamless integration with enterprise reporting systems and tools such as Procore.

Client:Solar Developer (Redacted)
Scope:ROM-to-PCF migration — cost mapping, SOV alignment, BvC validation, Procore integration
Tools:Microsoft Excel, Procore, BvC Framework

Challenge

  • Legacy ROM files used older formats and inconsistent cost structures
  • Misalignment between ROM outputs and updated budgeting frameworks
  • Inconsistent Scope of Values (SOV) mapping across projects
  • Manual, error-prone budget creation with limited traceability
  • Difficulty integrating with Procore and enterprise reporting systems

Solution

  • ROM Data Extraction & Mapping: Key cost components extracted and mapped to PCF structure, aligned to current SOV
  • Standardised Cost Structuring: All categories (labor, equipment, materials, indirects, contingency, margins) reorganised into auditable PCF format
  • Validation: Converted budgets validated against Budget vs. Cost (BvC) files and financial controls
  • Enterprise Integration: PCF outputs structured for upload into Procore and reporting platforms
  • QC & Review Workflow: Verification layer ensuring completeness and traceability

Impact

  • Consistency: Standardised budget structure across all projects
  • Accuracy: Reduced discrepancies between ROM estimates and final budgets
  • Efficiency: Streamlined conversion, reducing manual effort
  • Traceability: Clear linkage between original estimates and final financial outputs
  • Scalability: Enabled bulk conversion of multiple legacy projects

Key Capabilities

  • Financial data structuring and transformation
  • Cost mapping and standardisation across systems
  • Cross-functional alignment with finance and project controls
  • Enterprise system integration (PCF, Procore, BvC)
Estimation

Timber Mat Optimisation — Great Pine Solar (Midland Construction)

A constructability-driven re-estimation of temporary access matting for a utility-scale solar project with significant wetland overlap. Through a dynamic reuse strategy, timber mat requirements were reduced from ~1,200 to 200–300 units, avoiding ~$800K in cost overestimation.

Client:Solar EPC Contractor (Redacted)
Scope:Timber mat scope optimisation — reduced from ~1,200 to 200–300 mats, ~$800K cost exposure avoided
Tools:Microsoft Excel

Challenge

A significant portion of the Great Pine Solar array footprint intersected with wetland areas requiring timber mat access. Initial constraints included: large wetland overlap, no predefined estimation methodology, an initial estimate of ~1,200 mats (~$805K) flagged as potentially over-conservative, and tight ROM delivery timelines.

Initial Approach

  • Conservative assumption: 1/3 of wetland-intersecting module area required matting
  • Estimated ~1,200 timber mats (16′ × 4′)
  • Project duration: ~4.3 months
  • Result: potentially over-conservative, high-cost, logistically intensive

Optimised Strategy

Developed through coordination with construction teams and field execution insights:

  • Reduced total mats to ~200–300 units
  • Dynamic reuse: mats relocated across work fronts, limited to active work zones (~1 week duration)
  • Skid steer + operator for continuous relocation (~40 hrs/week over ~5 months)
  • Key insight: size for operational workflow, not total site footprint

Impact & Standard Adopted

  • ~83% reduction in mat quantity; ~$800K cost exposure avoided
  • Reduced material quantity and logistics burden
  • Established as repeatable standard for wetland-intensive solar sites
  • Budget 200–300 mats, include relocation equipment, base on active work zones
Estimation

Predrilling Optimisation — Delmar Solar (~25.4 MWdc, Illinois)

A data-driven predrilling scope estimation for a 25.4 MWdc multi-site solar project in Illinois with highly variable subsurface conditions. Borehole classification logic and zonal optimisation replaced uniform assumptions, reducing civil cost risk across four sites.

Client:Solar EPC Contractor (Redacted)
Scope:Borehole-based predrilling classification & zonal cost optimisation — 4 sites, 28 boreholes, 9.5 ft baseline
Tools:Microsoft Excel, Geotechnical Data Analysis

Challenge

  • Highly variable subsurface conditions across all 4 sites (SW, SE, NE, NW)
  • 28 boreholes (7 per site) with inconsistent auger refusal depths
  • Uncertainty in predrilling scope during early-stage estimation
  • Additional cost drivers: drain tile remediation, winter productivity loss, increased module weight, directional boring for MV crossings

Methodology

  • Baseline assumption: 9.5 ft embedment depth based on Illinois historical benchmarks
  • Classification logic: Refusal depth < 9.5 ft → predrilling required; ≥ 9.5 ft → no predrilling
  • Zonal optimisation: Each site segmented into zones — localised cost assumptions instead of uniform site-wide rates
  • Data-driven: Borehole data analysed per site, replacing generic assumptions

Impact

  • Improved accuracy: Data-driven decisions replaced generic assumptions
  • Cost optimisation: Avoided overestimation of predrilling scope
  • Risk reduction: Minimised potential cost overruns during execution
  • Enhanced alignment: Geotechnical data integrated directly into estimation workflows
  • Better decision-making: Increased confidence in ROM and detailed cost estimates

Key Capabilities

  • Geotechnical data interpretation and cost integration
  • Civil scope optimisation for solar projects
  • Risk-based cost planning and subsurface estimation logic
  • Multi-site zonal analysis
Solar Engineering

Solar PV Annual Production Report — Aurora Solar / Helioscope

Full annual energy yield analysis produced in Aurora Solar (Helioscope), covering system performance modelling, loss factor breakdown, and monthly production forecasting for a utility-scale solar project. The report quantifies key loss contributors including front shading, rear mismatch, bifaciality gains, AC system losses, inverter losses, and clipping — providing bankable production estimates for project finance and development milestones.

Client: Solar Developer (Redacted)
Scope: Annual production report — energy yield model, loss factor analysis, monthly generation forecast, system performance summary
Tools: Aurora Solar (Helioscope)
Solar Engineering

3.08 MWdc Ground-Mount Solar PV — 30% Design Set (SAT)

30% preliminary engineering drawing set for a 3.08 MWdc / 2.125 MVA ground-mount solar PV system using Single Axis Trackers (SAT) at 1500V DC. The 7-sheet package covers the title sheet, general notes and symbols, array layout across ~15.2 acres, and a one-line diagram with five KACO blueplanet 125 TL3 inverters interconnected at 13.2 kV through the AMEREN utility grid — prepared to NEC standards for client and AHJ review.

Client: Solar Developer / EPC Contractor (Redacted)
Scope: 7-sheet 30% design set — title sheet, general notes (×2), array layout, one-line diagram (3.08 MWdc SAT, 1500V DC, 13.2kV interconnect)
Tools: AutoCAD Electrical, PVCase
Standard: NEC, IEEE 1547, Utility (AMEREN) Interconnection Requirements

These packages are produced in AutoCAD to client drawing standards and submitted for customer/AHJ approval.

Want to see more, or discuss a project?

We'll share relevant examples from our portfolio and put together the right team for your scope.

Email TekMinds